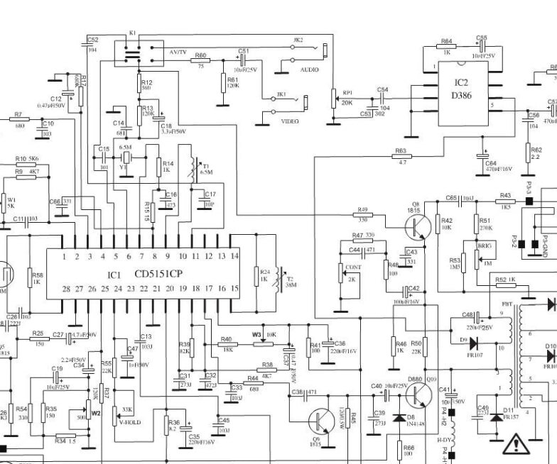
PCB(Printed Circuit Board、プリント基板)回路図は、電子部品の接続関係だけでなく、部品の具体的な位置、レイアウト、電気特性を示している。では、pcb回路図を見るにはどうすればいいのでしょうか。次に、PCB回路図を表示するためのいくつかのステップと方法を示します。

回路基板は、実は一連の電子部品が銅箔線で接続された集積体である。これらの複雑に見える線や素子の配置は、実際には特定の回路設計の原則に従っています。それらを解読するには、一般的な電子部品記号を熟知することが第一の任務です。
部品シンボル:pcb回路図上の部品は通常、抵抗、容量、トランジスタ、集積回路(IC)、ダイオードなどの記号で表される。
電気的接続:各部品を線路を介して接続し、電気回路を形成する。
電源と接地:回路図には電源(+)と接地(-)線が表示され、電圧と電流の基準点を示します。
信号と地線:信号線は信号伝達の経路であり、地線は電流を戻すために用いられる。
注記とラベル:一部のpcb回路図には、各部品の役割を理解するのに役立つ部品のモデル、値、仕様などの情報が付属しています。
これらの基本記号を理解することは、回路基板を理解するための第一歩を踏み出したことになります。
次に、回路原理図を解析する第2ステップに進みます。
回路原理図は、回路基板の魂の青写真と見ることができ、素子間の接続方法と電流の流れを示している。
pcb回路図を見る方法は?実際に作成されたPCBボードが手元にある場合は、次のような方法で回路図を見ることができます。
生産ファイルを見る:設計時のオリジナルファイルがあれば、通常は回路原理図(.schファイル)とPCBレイアウト図(.brdファイル)が含まれます。これらのファイルを開いて回路図を見ることができます。
ドキュメントと原理図を参照:一部の製品または開発ボードでは、各部品と接続の機能を説明する回路原理図を含むユーザーマニュアルまたは開発ドキュメントが提供されます。
リバースエンジニアリング:pcb回路図ファイルがない場合は、いくつかのツールを使用してリバースエンジニアリングを行うことができます。PCBボードの写真またはスキャンボード上のすべての接続回線を撮影し、それらの接続を手動で解析して回路図を再構築します。複雑な回路では、このプロセスは比較的困難で時間がかかりますが、簡単な回路基板では可能です。
pcb回路図の解読方法
回路図の解読は回路の理解と分析の鍵である。回路図を読むのに役立つ一般的な手順をいくつか示します。
1、識別部品
各部品には回路図に標準シンボルがあります。これらの記号を学習し理解することは回路図を解読する基礎である。一般的な記号は次のとおりです。
抵抗:通常は折れ線のある矩形記号として表されます。
容量:2本の平行な線は表し、電解容量は「+」号を付している。
ダイオード:三角形が垂直線を指し、電流が一方向にしか流れないことを示している。
トランジスタ:NPNとPNPトランジスタを区別する3つのピンの記号。
集積回路(IC):長方形ボックスにピンが表示され、通常は複数のピンが接続されています。
2、接続関係の理解
pcb回路図中の線路は電流の経路を表し、異なる部品を接続している。回路図を見る際には、各部品がどのように相互に接続されているか、電流がどこから流入し、どこから流出しているかを理解する必要があります。特に注意:
電源とアース:電源(Vcc)とアース(GND)の位置を識別します。これらは回路の基準点です。
信号経路:信号が入力から出力までの経路であり、抵抗、容量、増幅器などの部品に関する。
機能モジュール:回路図は通常、増幅器、フィルタ、モデムなどの機能モジュールごとにグループ化され、回路の動作原理を理解するのに役立ちます。
3、電圧と電流情報を見る
回路図によっては、部品の電圧、電流または抵抗値情報(抵抗値、ダイオードの順方向電圧など)も表示されています。これらの情報は、回路の動作状態をより正確に理解するのに役立ちます。
4、異常を探す
デバッグやトラブルシューティングのためにpcb回路図を見る場合は、回路図の接続が適切かどうかを確認したり、ショートやオープンの可能性があるかどうかを確認したり、電源電圧が正しいかどうかをチェックしたりすることで、調査を行うことができます。
この過程で、実際の回路基板と原理図の間に違いがあることに気づくかもしれませんが、それが学習のきっかけになるのです。回路基板設計者は、電流の大きさ、電磁互換性、放熱の問題を考慮するために、原理図に適応的に調整することがわかります。比較分析と実際の操作を通じて、回路基板の設計の精髄をより深く理解することができます。もちろん、回路基板を理解するプロセスは順風満帆ではありません。理解しにくい回路記号や複雑な線路レイアウトなど、さまざまな挑戦に直面する可能性があります。
以上は「pcb回路図を見る方法」のステップと方法で、あなたに役立つことを願っています。